欢迎来到青岛欧森达船舶通用设备有限公司的官方网站

JCL(CLQ)系列舰船用离心通风机


概述

JCL(CLQ)系列舰船用离心通风机(以下简称“通风机”)可输送空气,含有盐雾的海洋空气和含有油雾、蓄电池自然蒸发形成的少量酸蒸汽等腐蚀性空气,通风机适用于船舶上各种舱室的通风换气、锅炉通风,也可适用于其他适当的场合。

通风机是按照国标GB/T11865-2008《翻用离心通风机》和现行的(船舶建造规范》设计制造的。

特点 
尺小、重量轻、低噪声、防腐性好、气密性好、启动力矩小、抗摇摆、振动和冲击性强。

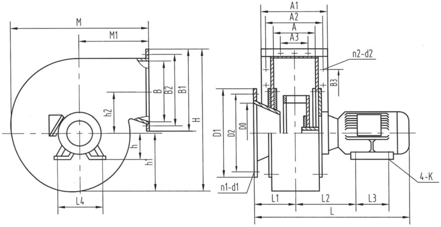
工作原理结构形式
通风机为卧式,电动机直联式结构,亦可制成立式结构。
叶轮由编合金材料钟接面成,并经静、动平衡校正。
机壳、进风口等采用普通钢质材料焊接而成,并支撑气密式结构。