欢迎来到青岛欧森达船舶通用设备有限公司的官方网站

船用水力驱动防爆通风机

一、概述

CSZCSL型水力驱动防爆轴流风机。具有防爆等级高,耐腐蚀、抗摇摆、震动和冲击性强。整机结构简单、紧凑、重量轻操作简便,整机便携只需一人操作即可。用消防水直接驱动,不需另加动力设备。采用封闭轴承维护工作量少。适用范围广可在-35C-250C环境内驱动和输送易燃、易爆气体、蒸气和有毒有害的危险性气体。

二、结构型式

CSZ型水力驱动防爆轴流风机由水轮机、机架、机壳、转动体和叶轮等组成。水轮机用耐腐蚀铜合金精密铸成。机壳用奥氏体不锈钢焊成,叶轮用高强度铝合金铸成。水轮机和转动体的密封采用机械密封和填料两层密封。机壳与叶轮间有黄铜制成的安全环整体为无火花结构。CSZ型风机有抽风和送风式结构,两者不能通用。

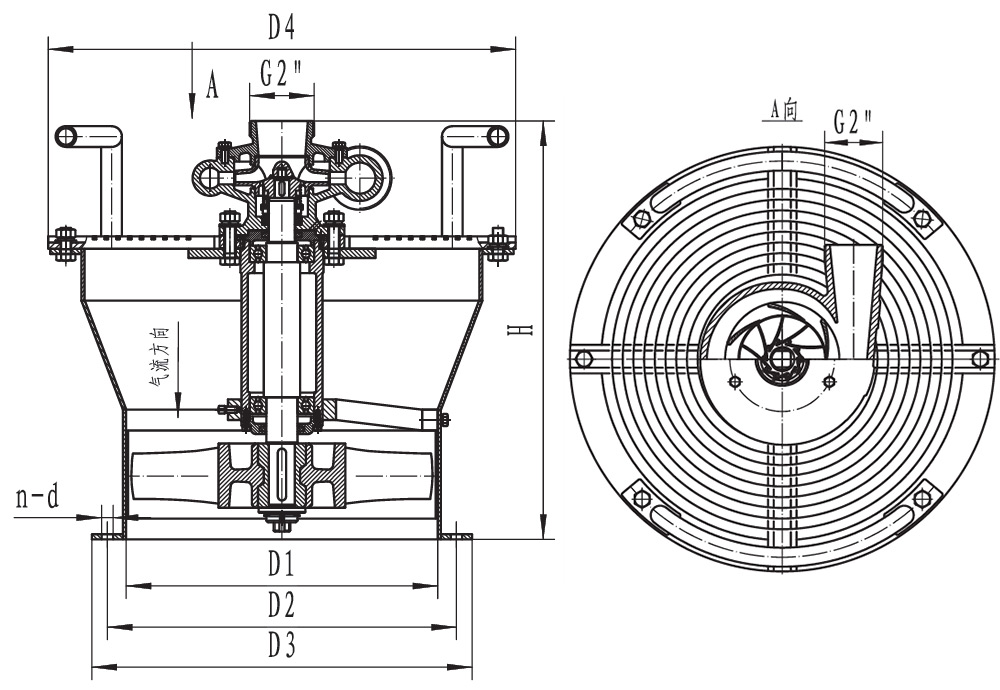
CSL型水力驱动防爆离心通风机由水轮机、机架、机壳、传动体和叶轮等组成。水涡轮用耐腐蚀铜合金精密铸造成型,机壳用奥氏体不锈钢焊成,叶轮用高强度铝合金铸成。整机

结构为无火花结构。出风口角度抽风式为R90度,送风式为R225度,两者不能通用。

三、适用条件

IIB~ICT4~T6组爆炸性混合物气体的舱室和场所。

环境温度:-35C250

空气相对湿度:不大于95%

周期性摇摆22.5°-45(摇摆周期5-10S

持续横倾:15°

持续纵倾:10°

振动:有

冲击:有

四、型号说明


CSZ主要性能参数及外形安装尺寸


型号

Type

流量

Flow rate

M3/h

静压

Static pressure

pa

进水压力

Water pressure

Mpa

耗水量

Water consumption

M3/h

D1

D2

D3

D4

H

n-d

重量

Weight

≈kg

CSZ-300

3000-6000

260-820

0.2-0.7

25-43

Φ300

Φ336

Φ366

Φ446

404

8-Φ11

28

CSZ-380

4000-10000

380-1020

0.2-0.7

28-53

Φ380

Φ416

Φ446

Φ546

404

8-Φ11

33

CSZ图片


CSL图片


CSL主要性能参数及外形安装尺寸


型号

Type

流量

Flow rate

M3/h

静压

Static pressure

pa

进水压力

Water pressure

Mpa

耗水量

Water consumption

M3/h

D1

D2

D3

L

B

H

n-d

重量

Weight

≈kg

CSL-240

2000-5000

920-1500

0.2-0.7

34-56

Φ220

Φ250

Φ280

585

470

455

6-Φ10

55

CSL-260

3000-6000

1000-1500

0.2-0.7

34-56

Φ220

Φ250

Φ280

646

470

490

6-Φ10

60

 

船用水力驱动防爆通风机.pdf

上一篇: 船用菌型通风帽
下一篇: 空气帽