
地址:山东省青岛市即墨区潮海街道办事处黄甲山一路120号
手机:李经理 13806427292
网址:www.qdmarinefan.com
www.chinamarinefan.com
邮箱:info@qddhdj.com


概念
CWL(CXL)系列舰船小型离心通风机可输送空气,含有盐雾的海洋空气和含有油雾等腐蚀性空气。本型风机适用于军船与民船上的厨房、厕所、舱壁、公共场所、会议室等的通风换气和各舱室的通风,也适用于陆上化工、冶金等行业的适当场所。
CWL(CXL)型舰船用小型离心通风机如裴勇防爆电机,即可输送易燃、易爆的混合型气体和蒸汽,又能在“危险区”安全工作。
CWL(CXL.)型舰船用小型离心通风机,可配用船用三相微型异步电动机,适用于380V/220V或440V,50/60Hz的场所。(个别配用YB系列电动机,则无220V电制)。
特点
2.1具有高压力系数(H>1.4),高流量系数(Q>0.5)和高效率(n>65%)。
2.2重量轻、尺寸小、性能稳定、噪声低。
3.3性能参数多,适用范围广。
3.4强度好、耐腐蚀。
3.5抗摇摆、振动和冲击性能强。
工作原理和机构形式
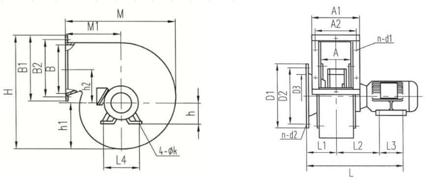
CWL (CXL)系列舰船小型离心通风机,是一种新顺的高性能节能风机,采用船用三相微型异步电动机。风机叶轮由强烈前向多翼式叶片组成,气体从轴向进入叶片通道,在离心力的作用下产生能量,气体被压缩并从径向输入管路。
CWL (CXL)型风机为卧式,电动机直联式结构,外可制成置式结构。-轮为制我而成,机壳和进风口均为焊接结构。
叶轮必须经静、动平衡样正(采用加重法)。
通风机可制成(左转)或(右转)两种。

