欢迎来到青岛欧森达船舶通用设备有限公司的官方网站

CGDL系列舰船用高效率低噪声离心通机


概述 

CGDL系列舰船用高效率低噪声离心通风机(以下简称通风机)是一种新型节能、低噪声舰船用产品。通风机通过专门设计和加工,具有效率高(n>80%)、噪声低、不会超载、运转平稳和满足舰船条件要求等特点,它适用于各种舰船的通风换气,也适用于其它相适应的场合。

特点 

通风机采用了特殊设计的机翼型叶片和进风口。机壳的尺寸和型线也按特征速度进行专门设计。叶轮进行专门加工,从而使气流流动更良好,使通风机里具有效名高、噪音低等优点,由于功率特征至大流量区后反而下降,故电动机不会因超载而损坏。

通风机在设计和制造中充分考虑到舰船用的特殊条件要求,叶轮用铝合金制造并经严格动平衡校正、超速试验。故通风机还具有耐蚀性好、抗摇摆、抗冲击、振动、运转平稳和安全可靠等特点。

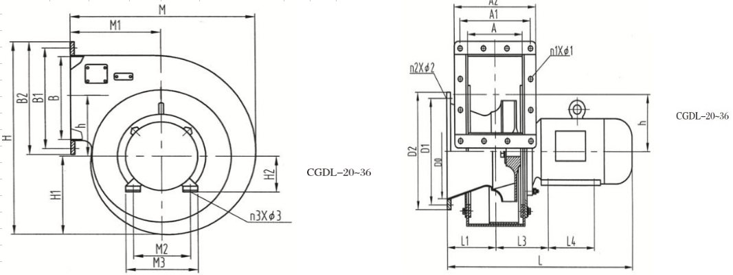
结构型式 

通风机为卧式,电动机直联结构,需要时也可制成立式结构。
通风机叶轮由铝合金制成,叶片为机翼型,并经过严格动平衡校正,具有优良的空气性能。机壳、进风口等由普通钢板制成,采用镀锌等防腐措施,机号≥40时,通风机加有机架(40以下无机架)。
通风级号40~80的风口方向在0~225°按22.5°变化。
型号说明